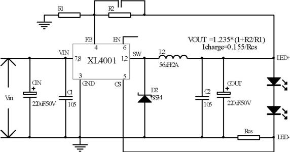
LED恒流驱动芯片电路是决定LED灯的性能和寿命的核心部件,我司代理的芯龙电源管理芯片可提供大电流|高性价比|高可靠性|高效率|一系列电压的LED恒流驱动芯片,在大电流LED单片全集成恒流驱动芯片领域,芯龙处于全球业界领先地位。XL系列LED驱动芯片支持交流变压器 蓄电池 电子变压器 直流稳压电源 市电 车载电源等多种供电方式,输出恒流驱动LED的功率从10W~100W,LED模组可并联|串联|串并联多种连接,电路拓朴支持降压|升压|升降压等多种结构,广泛应用于LED照明灯|LCD背光|MR16射灯|LED灯幕墙|大功率LED路灯|LED广告灯等领域。我司针对XL4001 XL6002 XL4101的LED驱动芯片应用推出了完善的方案,新老客户有疑问可致电咨询。 1. 应用简要说明 XL4001 是一个150KHz 的固定频率PWM 降压DC-DC 转换器,2A 电流负载能力,该电路应用简单,外部元器件较少。鉴于LED 领域的系统需求,内部除了常规的过流保护,过温度保护,输出短路保护外,还内置了专用LED 的CC,OVP。 CC 是通过电阻RCS 测量LED 电流并实现电流模式控制,在正常工作情况,LED 电流由0.155V 的PWM控制器内部参考电压除以RCS 电阻值所决定。即I=0.155V/RCS,因为RCS两端的电压降在正常工作条件下将一直保持在0.155V。 OVP 是通过电阻R1 和R2 测量输出电压并实现电压模式控制,一般OVP 设置为比正常输出电压高10%。在芯片正常工作的时候,CC 起作用;当CC 这一路出现问题,OVP 钳位输出电压,使LED 不会承受较大功率而烧毁。 PWM 调光这一块也可以调节4 脚FB 来实现,FB 基准为1.235V,一旦这一点电位高于1.235V,关闭输出,低于1.235V 芯片工作;由于芯片本身的频率只有150K,所以在一定占空比的条件下,PWM 调光的速率不应该太快,建议在100Hz-300Hz。 使能端EN 脚控制芯片输出,EN 脚电位为低电平(0.8V 以下)或者悬空的时候,芯片有输出;EN 脚电位为高电平(1.4V 以上),芯片关断输出。 其他几款同类型芯片如下:XL6002,XL4101。 2. 技术特点 (1)用于LED 全集成方案,系统成本低,可靠性高; (2)IC 内部CC,OVP 都是通过控制PWM 实现的;因此,输出电压,输出电流,输出过压保护的精度更高,响应速度很快;内置过流保护、过温度保护等安全措施; (3)XL4001 为40V 高压双极工艺制造,更加“皮实”,应用于多种环境;由于其为150K 固定频率,使得LED 驱动的EMI 设计相对容易。 LED驱动芯片快速选择表
| 产品类型 |
产品型号 |
驱动 LED功率 |
开关频率 |
封装形式 |
| 降压型 LED驱动 |
XL4001 |
6W |
150KHz |
SOP8-EP |
| XL6002 |
8W |
150KHz |
TO-252-5L |
| XL4101 |
10W |
150KHz |
TO-263-5L |
| XL4003+358 |
15W |
300KHz |
TO-252-5L |
| XL4005+358 |
20W |
300KHz |
TO-263-5L |
| XL4012+358 |
50W |
300KHz |
TO-220-5L |
| 升压型LED驱动 |
XL6003 |
6W |
400KHz |
SOP8L |
| XL6004 |
12W |
400KHz |
TO-252-5L |
| XL6005 |
16W |
180KHz |
TO-252-5L |
| XL6009+358 |
20W |
400KHz |
TO-263-5L |
| XL6010+358 |
30W |
180KHz |
TO-263-5L |
| XL6011+358 |
40W |
180KHz |
TO-220-5L |
| 降压型芯片升降压设计LED驱动 |
XL4001 |
4W |
150KHz |
SOP8-EP |
| XL6002 |
5W |
150KHz |
TO-252-5L |
| XL4101 |
6W |
150KHz |
TO-263-5L |
| XL4003+358 |
10W |
300KHz |
TO-252-5L |
| XL4005+358 |
15W |
300KHz |
TO-263-5L |
| XL4012+358 |
25W |
300KHz |
TO-220-5L |
| 升压型芯片升降压设计LED驱动(SEPIC拓朴) |
XL6003 |
3W |
400KHz |
SOP8L |
| XL6004 |
4W |
400KHz |
TO-252-5L |
| XL6005 |
5W |
180KHz |
TO-252-5L |
| XL6009+358 |
10W |
400KHz |
TO-263-5L |
| XL6010+358 |
15W |
180KHz |
TO-263-5L |
| XL6011+358 |
20W |
180KHz |
TO-220-5L |
3.降压型LED 驱动产品典型应用示意图 [1] XL4001 LED驱动芯片典型应用电路及图示
 测试数据见下图表,在输入电压36V,输出从1 颗灯到10 颗1W LED 灯,单路输出电流在320mA 时,室温16℃,测试整个系统的效率。温度测试点在芯片表面。
  [2] XL6002 LED驱动芯片典型应用电路及图示
 [3] XL4101 LED驱动芯片典型应用电路及图示

更多技术支持请致电!
总 机:0512-50710709 传 真:0512-50111209 专 线:15950933050 M S N:[email protected] Q Q:41086900 E-Mail:[email protected] |